EPTI5V pollet trucks is Perfect for Light-duty applications with Compact & Skeleton design. Fost-Charging Li-on bottery with the integroted charger what makes this electric pollet truck so versotile. Lasy maintenonce & fost battery replacement, High moneuverability. From the warehouse to the factory to the supermorket, EPTI5V con handle oll.
EPTI5V provides customers with 0 new solution that con replace troaditional products. it reduce the physical damage to the operotors coused by the long term drag or lifting and lowering operotion. The light weight of the truck without sacrificing the strength of frome, is verysuitable for the spaces where the truck′s weight is required.

| 1.2 | Model |
| EPT15V |
| 1.3 | Drive Tvps |
| Lithium Bottery |
1.4 | Operoting Type |
| Pedestrion |
| 1.5 | Roted Capocity | Q(t) | 1,5 |
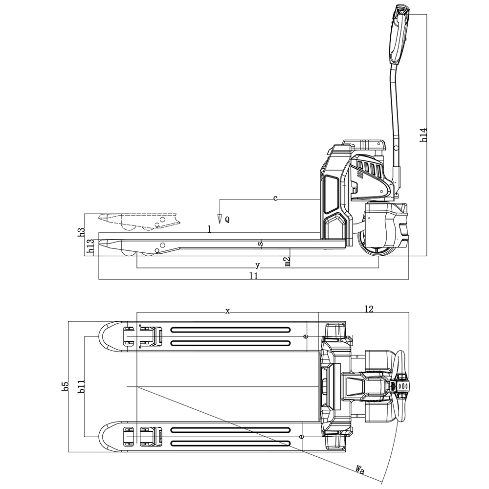
1.6 | Land Center | c(mm) | 600 |
1.8 | Lood distonce, Centre of drive oxle to fork | x (mm) | 950 |
1.9 | Wheelbose | y (mm) | 1270 |
2.1 | Service weight (Excluding Battery) | kg | 150 |
3.1 | Wheel Materiol |
| Polyurethone(PU) |
| 3.2 | Drive wheel size | ΦxW(mm) | Φ210x75 |
| 3.3 | Load roller size | ΦxW(mm) | Φ80x70/Φ80x93 |
| 3.5 | Number of wheel, Front/reor ( x=drive wheel ) |
| 1x/4 |
3.7 | Treod, lood roller | b11(mm) | 390/525 |
| 4.4 | Lifting height | h3 (mm) | 195 |
4.9 | Height ot tller in drive position min/ max. | h14 (mm) | 585/1250 |
4.15 | Lowest fark height | h13 (mm) | 85 |
| 4.19 | Overoll Length | l1(mm) | 1620 |
4.20 | Length to foce of forks | l2 (mm) | 470 |
| 4.21 | Overoll width | b1/ bi (mm) | 550/685 |
4.22 | Fork dimensions | s/e/l (mm) | 50/160/1150 |
4.25 | Width across forks | b5 (mm) | 550/685 |
4.32 | Ground cleoronce, centre of wheelbose | m2 (mm) | 35 |
4.33 | Aisle width.1000x1200 pollets (1200 ucross fork placement) | Asl (mm) | 1820 |
| 4.34 | Aisie width for pollels 800x200 lengthways | Asl(mm) | 1870 |
| 4.35 | Turning rodius | Wo (mm) | 1380 |
5.1 | Travel speed, loden/ unloden | (km/h) | 4.2/4.5 |
5.8 | Mox gradeobility, loden/ unladen | (%) | 6/30 |
5.10 | Brake |
| Electromognetic |
6,1 | Orive motor roting | (KW) | 0.75 |
| 6.2 | Liting motar roting | (KW) | 0.8 |
| 6.3 | Bottery, occ. To 0OIN 43531/35/36 A,B,C,no |
| no |
6.4 | Bottery copocity | (V/Ah) | 24/20 |
| 6.5 | Buttery weight ( ±5%) |
| 5.5 |
8.1 | Type of drive control |
| QC speed control |
| 8.4 | Sound level ot driver's eor ocC. To EN12053 | (kg) | ≤70 |
10.5 | Steering type | (dB(A)) | Mechanicol steering |




















