In small warehouses, production or retail environment and especially height limited space, the Straddle leg walkie stacker from QSLIFT is the ideal stacker to optimize your daily work. This warehouse lifter with a mono mast and side operating design, ensures you excellent visibility. Adjustable straddle leg design is suitable for diverse pallet sizes and more stablity.
The compact and light design is suitable for a variety light duty applications in warehouse. With the mono mast stacker we increase the ergonomy of the workplace at a very attractive price level. Each worker can place the pallets on a individual suitable hight. Increasing the productivity.

Canbus Multifunction Intelligent handle (Code Lock & Magnetic Key as Option) Turtle speed / Upright working / Battery indicator / Error code indicator / Maintenance Friendly

Model | QES10-SL | QES12-SL | ||
Distinguishing Mark | ||||
1.1 | Drive | Electric | ||
1.2 | Operator type | Walkie | ||
1.3 | Load capacity/ Rated load | Q(t) | 1000 | 1200 |
1.4 | Load centre distance | C(mm) | 600 | |
1.5 | Load distance, centre of drive axle to fork | X(mm) | 875 | |
1.6 | Wheelbase | Y(mm) | 1230 | |
Weight | ||||
2.1 | Service weight (Without battery) | kg | 530/540/560/580/600/620 | |
2.2 | Battery weight | kg | Lead acid battery50kg | |
| Lithium battery 20kg | ||||
2.3 | Axle loading, laden front/rear | kg | ~ | ~ |
2.4 | Axle loading, unladen front/rear | kg | ~ | ~ |
Tyres, Chassis | ||||
3.1 | Tires | PU | ||
3.2 | Tires size, Front | Φxy(mm) | 80*70 | |
3.3 | Tires size, Rear | Φxy(mm) | 210*70 | |
3.4 | Balance wheels(Dimensions) | Φxy(mm) | 150*50 | |
3.5 | Wheels, number front/rear |
| 2/1 | |
3.6 | Tread, front | mm | 400 | |
3.7 | Tread, rear | mm | 500 | |
Dimensions | ||||
4.1 | Lowered mast height | mm | 2009/1530/1780/2030/2180/2230 | |
4.2 | Free lift height | mm | ~ | ~ |
4.3 | Lift Height | mm | 1600/2000/2500/3000/3300/3500 | |
4.4 | Extended mast height | mm | 2009/2485/2985/3485/3785/3985 | |
4.5 | Height of tiller in drive position min./max. | mm | 880-1320 | |
4.6 | Height, lowered | mm | 70 | |
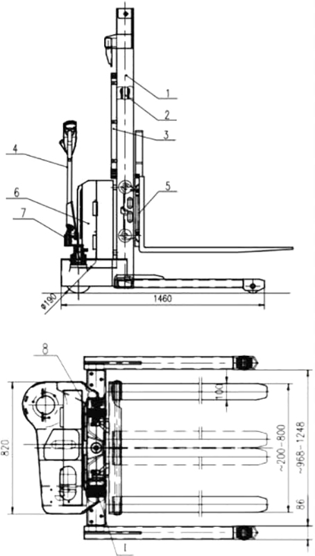
4.7 | Overall length | mm | 1690 | |
4.8 | Length to face of forks | mm | 1125 | |
4.9 | Overall width | mm | 820 | |
4.10 | Outer width of leg | mm | 1186-1448 | |
4.11 | Inner width of leg | mm | 986-1248 | |
4.12 | Length of leg | mm | 1070 | |
4.13 | Fork dimensions | mm | 35/100/1150 | |
4.14 | Outer width of fork | mm | 200-800 | |
4.15 | Ground Clearance, centre of wheelbase | mm | 35 | |
4.16 | Aisle width for pallets 1000x1200 crossways | mm | 2298 | |
4.17 | Aisle width for pallets 800x1200 lengthways | mm | 2227 | |
4.18 | Turnign radius | mm | 1430 | |
Performance data | ||||
5.1 | Travel speed,laden/unladen | km/h | 3.5/4.0 | |
5.2 | Lift speed,laden/unladen | m/s | 95/134 | |
5.3 | Lowering speed, laden/unladen | m/s | 130/94 | |
5.4 | Max. Gradeability, laden/unladen | % | 3-7 | |
5.5 | Service brake |
| Electromagnetic | |
Electric motor | ||||
6.1 | Drive motor rating | KW | 0.65 | |
6.2 | Lift motor rating | KW | 1.5/2.2 | |
6.3 | Battery voltage, nominal capacity | V/AH | Lead-acid 2*12v/75AH (100Ah as option) | |
| Lithium battery 24V50AH (100ah as option) | ||||
6.4 | Battery size LXWXH | mm | Lea-acid battery (260*169*215) x 2 | |
| Lithium battery 330*90*480 | ||||
6.5 | Type of control |
| DC- Speed control | |
6.6 | Sound level at driver's ear acc. to EN12053 | dB(A) | 65 | |




















